Features
Body Width: 65mm
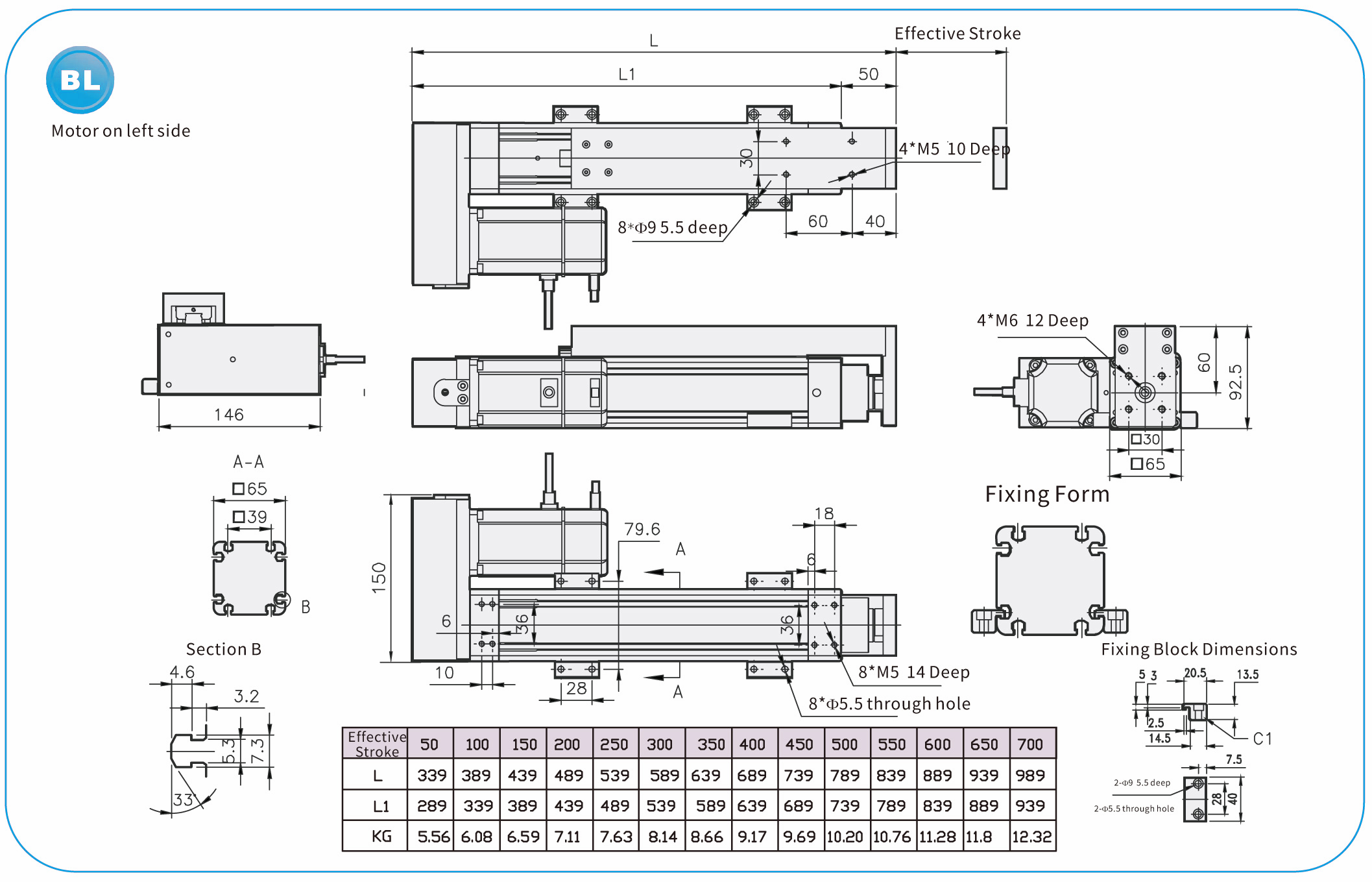
Max. Stroke: 700mm
Max. Payload: 110kg
- Product Description
- Model Number
- Basic Style
- Load torque table
- Size Chart
Model Number
Basic Style
Load torque table
Size Chart






























