Features
Body Width: 64mm
Max. Stroke: 6000mm
Max. Payload: 50kg
- Product Description
- Model Number
- Basic Style
- Load torque table
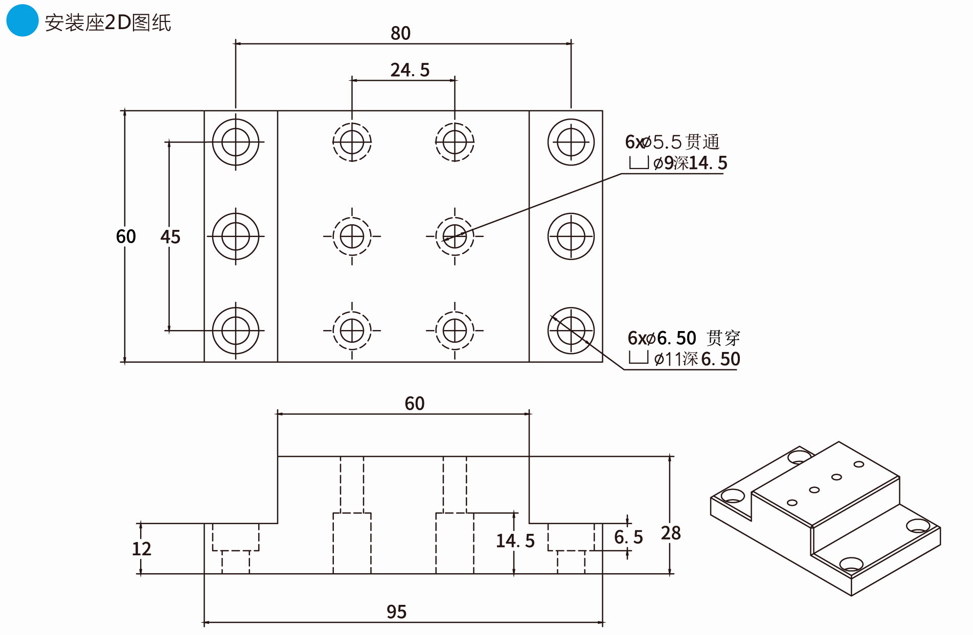
- Size Chart
Model Number
Basic Style
Load torque table
Size Chart






























