TRW45

Euro Standard Belt ModuleTR Series

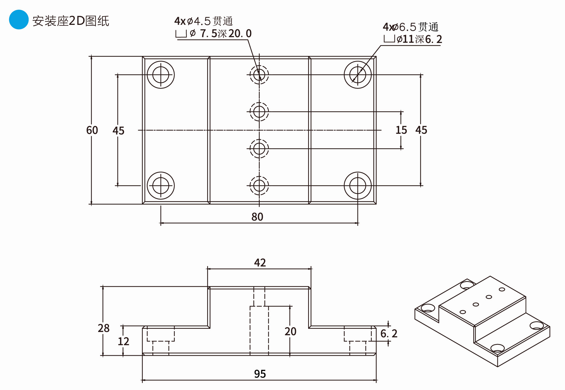
PDF2D3D

Features

Body Width: 45mm 

Max. Stroke: 6000mm 

Max. Payload: 25kg

  • Product Description
  • Model Number
  • Basic Style
  • Load torque table
  • Size Chart
Model Number
Basic Style
Load torque table
Size Chart